商品検索

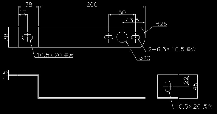
マーカーステー Z型1連 ステンレス IKK-Z-200S

¥ 490 税込

商品コード:

数量